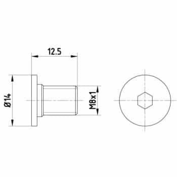
El tornillo del disco de freno es una parte importante del sistema de frenos. Asegura que el disco de freno esté bien sujeto al cubo de la rueda. Sin este tornillo, el disco no se fija correctamente al cubo, lo que provoca que la rueda no esté bien equilibrada. Además, este tornillo evita que suciedad o corrosión se acumulen detrás del disco. La suciedad y el óxido pueden causar desgaste prematuro de las pastillas de freno y del disco de freno.
El tornillo del disco de freno también tiene una función importante durante la instalación del disco de freno. Esta pieza mantiene el disco en la posición correcta, facilitando la colocación de los pernos de freno. Sin este tornillo, el disco de freno podría no montarse de forma recta, desequilibrando la rueda. Esto provoca vibraciones durante la conducción.
Pérdida del tornillo de disco de freno
Si ha perdido el tornillo de disco de freno, tendrá consecuencias negativas para el sistema de frenos. El tornillo asegura que el disco esté correctamente contra el cubo de la rueda. Así, se evita que suciedad y mugre se acumulen detrás del disco de freno, lo que podría causar desgaste prematuro. Reconocerá un disco de freno desgastado por los siguientes síntomas:
- Sonido chirriante, raspante, vibrante o pulsante en los discos de freno durante la conducción.
- Pedal de freno que se siente suelto
- Distancia de frenado aumentada
¿Ha perdido el tornillo de disco de freno? Ordene uno nuevo a tiempo. De lo contrario, existe una alta probabilidad de que el disco de freno se dañe.
Comprar tornillo de disco de freno
¿Necesita un nuevo tornillo de disco de freno? En Winparts puede comprar rápidamente las piezas correctas por matrícula. Complete la comprobación de matrícula en el sitio web. Se le mostrarán las piezas correctas. Además, contamos con un amplio surtido de otras piezas del sistema de frenos. Eche un vistazo a los sensores ABS, pinzas de freno, cilindros maestros y cilindros de rueda.























